注册 登录
EDA365电子论坛网 返回首页

chencang的个人空间 https://www.eda365.com/?333373 [收藏] [复制] [RSS]

日志

电脑主板RS232串口硬件设计

已有 505 次阅读2019-2-3 18:35

RS232属于一种电平标准,采用UART异步通信串行数据总线协议。工业电平标准RS422和RS485同样采用UART协议。具体uart的协议格式和RS232电平标准大家可回顾下《低速接口视频》。我们这里主要讲解RS232接口的电路设计。《低速接口视频》地址如下连接:

http://v.youku.com/v_show/id_XMjk5ODU5MTE2MA==.html?spm=a2hzp.8253869.0.0

0?wx_fmt=png


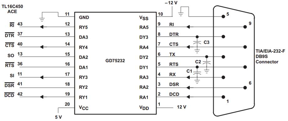
上图为uart全串口模式的原理图连接,采用GD75232作为转换电平芯片,总共用到8根信号线。我们常用的串口协议简化了部分控制线信号,只需要RXTX 2根信号线就足够。这种情况只需要2个通道的电平转换芯片max232就可以了。

串口的硬件电路设计可以说是非常简单,但是串口调试电路也容易经常出问题。下面我们来介绍硬件设计需要注意的地方。

和大家强调一下,设计任何电路之前,要先搞清楚你设计的东西要达到什么标准,否则你无法判断设计出来的是否OK 

1.电平标准

通过GD75232TTL电平转换为RS232电平。当然你也可以自己设计个电平转换电路。

RS232电平:逻辑1:   -3-15V,逻辑0+3+15V

TTL    电平:    逻辑1: >2.0V     ,逻辑0<0.8V

2.电源供电

    串口接口不需要电源供电脚,但GD75232芯片需要供电+-12V供电,还有VCC 5V供电。而常用的MAX232只需5V,通过自身的电荷泵产生+-10V电源来驱动信号线。下面是MAX232芯片电荷泵的外围连接图。

0?wx_fmt=png


3.DB9接插座

        DB9接插座有公口和母口2种;所以DB9连接线上的插座有公转母,公转公,母转母3种;连接线内部连接方式有交叉和直连2种(RX,TX是否交叉)。一共可能出现2*3*2=12种情况,所以大家设计RS232之前要先确定两边的连接方式。

0?wx_fmt=png


4.RS232接口保护

    大家还记得外漏的接口在过3C认证的时候都要做什么测试吗? -----ESD测试。 

    虽然GD75232支持2KVESD。但如果我们要过更高的等级如6K/8K,那么我们需要在信号接口添加ESD保护芯片。部分低成本方案采用信号线串联电阻防护,但这种不一定过得了ESD测试。

0?wx_fmt=png

5.芯片购买

      MAX232等串口芯片市场上仿品太多,若不是通过原厂或代理购买的,买到假货的概率相当大,采购需谨慎。


---更多硬件设计视频,可关注微信公众号“陈苍硬件设计”---

路过
路过
鸡蛋
鸡蛋
鲜花
鲜花
握手
握手
雷人
雷人

评论 (0 个评论)

facelist

您需要登录后才可以评论 登录 | 注册

关闭

推荐内容上一条 /1 下一条

EDA365公众号

关于我们|手机版|EDA365电子论坛网 ( 粤ICP备18020198号-1 )

GMT+8, 2025-10-5 11:21 , Processed in 0.093750 second(s), 21 queries , Gzip On.

深圳市墨知创新科技有限公司

地址:深圳市南山区科技生态园2栋A座805 电话:19926409050

返回顶部