注册 登录
EDA365电子论坛网 返回首页

chencang的个人空间 https://www.eda365.com/?333373 [收藏] [复制] [RSS]

日志

电脑USB 3.0接口硬件电路设计

已有 571 次阅读2019-2-3 18:39 | 电脑USB

USB一种计算机系统外部设备的串口总线标准,支持即插即用和热插拔功能。常用于U盘,鼠标等移动外设。USB标准可分为USB1.0/2.0/3.0,虽然保持向下兼容,但电平标准各有差别。我们这里主要介绍USB3.0的电路设计。

0?wx_fmt=jpeg

1.电平标准

USB标准可以分为USB1.0低速1.5Mb/S,全速12Mb/S),USB 2.0

480Mb/S),USB3.05Gb/S),4种传输速度对应的电平标准和时序之前视频有介绍,这里就不详细介绍。

0?wx_fmt=jpeg

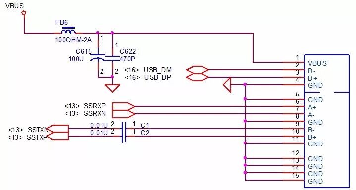
2.原理图设计

1DM/DP差分对信号线与USB2.0的连接方式一样,只要一对一直接连接就可以。

2SSRXP/SSRXN,SSTXP/SSTXN差分对属于高速serdes差分对,速度高达5Gb/S。只需TX端放置10nF隔直电容,RX端无需放置。

3serdes结构在《PCIE3.0仿真视频》有详细介绍,因为芯片采用了8b/10b编解码器,并串/串并转换器,均衡器,时钟数据恢复(CDR)等电路,使外部原理图通过简单的连接,轻轻松松的到5Gbps

4)电源通过磁珠隔离噪声和100uF电容提高供电能力。

 

0?wx_fmt=jpeg

3.PCB设计

         USB 3.0DP/DM,TXP/TXN,RXP/RXN差分对PCB布线要遵循差分线规则,特征阻抗控制为90欧姆。

0?wx_fmt=jpeg

4.USB3.0 接口座

 标准USB 3.0 A型接口如下左图,体积较大一般用在个人电脑。目前手机等电子产品上用体积小的USB TYPE C。大家看它的引脚定义就知道为什么这么受人欢迎了。

0?wx_fmt=jpeg

 

5.接口保护

 同样的,外漏的接口在过3C认证要做-----ESD测试。 

 USB 2.0480Mb/SUSB3.05Gb/S。这么高的速度不是随随便便的ESD保护二极管就可以了。还记得信号完整性仿真时加大负载后对信号产生的影响吗?所以这里采用---低电容TVS ESD保护二级管。

0?wx_fmt=jpeg


欢迎加入微信公众号“陈苍硬件设计

路过
路过
鸡蛋
鸡蛋
鲜花
鲜花
握手
握手
雷人
雷人

评论 (0 个评论)

facelist

您需要登录后才可以评论 登录 | 注册

关闭

推荐内容上一条 /1 下一条

EDA365公众号

关于我们|手机版|EDA365电子论坛网 ( 粤ICP备18020198号-1 )

GMT+8, 2025-10-5 11:21 , Processed in 0.093750 second(s), 21 queries , Gzip On.

深圳市墨知创新科技有限公司

地址:深圳市南山区科技生态园2栋A座805 电话:19926409050

返回顶部